
板对板连接器 接线端子 配电块
接线端子
分配器、适配器和导线连接器
控制器系统布线
传感器/执行器布线
配电块和设备接线端子
模块化组合测试单元
板对板连接器
电源 适配器 冗余模块
用于电源保护的保护性继电器
电动汽车充电技术
电磁兼容滤波器
配电器
HMI和PC机 PLC(控制器)和I/O
PLCnext Technology
边缘计算
PLC(控制器)和I/O
工业通信
标识材料 打印机 接线箱和空箱
冷压头
压接连接器
装配操作辅助系统
冷压头和压接连接器
手动工具
接线箱和空箱
I/O信号接线 继电器和光耦合器
信号隔离变送器和测量变送器
数显表和现场设备
马达启动器和电子开关装置
继电器和光耦合器
I/O信号接线
120 V AC
230 V AC
90 V AC ... 264 V AC
100 V AC ... 240 V AC
120 V AC
AC
45 Hz ... 65 Hz
最大 25 A
6.9 A (100 V AC)
2.86 A (240 V AC)
19 A (24 V DC)
> 97 % (100 %负载,带已充电的大功率存储设备)
~ 87 % (100%负载)
500 VA
400 W
0.8
2.8
< 10 ms
VFD-SS-311
否
否
符合内部保险丝要求
105 % (永久)
120 % ... 150 % (20 s / 5 s,然后关断)
120 V AC
230 V AC
4.17 A (120 V AC)
2.17 A (230 V AC)
典型值 9 W (120 V AC)
典型值 10 W (230 V AC)
典型值 10 W (120 V AC)
典型值 11 W (230 V AC)
60 Hz ±5 Hz
50 Hz ±5 Hz
10 A 400 V gRL
120 V AC ±2 %
230 V AC ±2 %
纯正弦波
大约 23 W (120 V AC)
大约 24 W (230 V AC)
大约 57 W (120 V AC)
大约 54 W (230 V AC)
60 Hz
50 Hz
±5 % (网格引导)
±0.5 % (自我引导)
< 3 % (线性负载)
< 8 % (非线性负载)
> 2.5 x IN (> 200 ms)
24 V DC
20 V DC ... 24 V DC (可参数化)
3.4 Ah ... 200 Ah (5x 40 Ah)
最大 5 A
24 V DC ... 31 V DC (温度补偿)
VRLA, VRLA-WTR, LI-ION (参见章节:订货数据)
IU0U
50 A
1.x
螺钉连接
0.2 mm² ... 6 mm²
0.2 mm² ... 4 mm²
0.2 mm² ... 4 mm²
0.2 mm² ... 4 mm²
30 ... 10
8 mm
0.5 Nm ... 0.6 Nm
开槽 L
2.x
螺钉连接
0.2 mm² ... 6 mm²
0.2 mm² ... 4 mm²
0.2 mm² ... 4 mm²
0.2 mm² ... 4 mm²
30 ... 10
8 mm
0.5 Nm ... 0.6 Nm
开槽 L
3.x
螺钉连接
0.2 mm² ... 1.5 mm²
0.2 mm² ... 1.5 mm²
0.2 mm² ... 1.5 mm²
0.2 mm² ... 1.5 mm²
30 ... 12
8 mm
0.5 Nm ... 0.6 Nm
开槽 L
4.x
螺钉连接
0.2 mm² ... 6 mm²
0.2 mm² ... 4 mm²
0.2 mm² ... 4 mm²
0.2 mm² ... 4 mm²
30 ... 10
8 mm
0.5 Nm ... 0.6 Nm
开槽 L
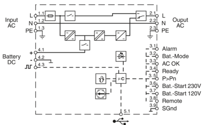
USB (Modbus/RTU)
1
MINI-USB B型
5.1
螺栓
USB 2.0
3 m
是
Bat.-Start
3.x
3.6 (Bat.-Start 230 V), 3.7 (Bat.-Start 120 V)
连接至SGnd < 2.7 kΩ
打开(电池启动和SGnd之间 > 200 kΩ)
Remote
3.x
3.8 (Remote)
连接至SGnd < 2.7 kΩ
打开(远程和SGnd之间 > 35 kΩ)
3.x
报警
3.1 (Alarm)
晶体管输出,有源
24 V
≤ 20 mA
红色
3.x
Bat.-Mode
3.2 (Bat.-Mode)
晶体管输出,有源
24 V
≤ 20 mA
黄色
3.x
AC OK
3.3 (AC OK)
晶体管输出,有源
24 V
≤ 20 mA
绿色
3.x
Ready
3.4 (Ready)
晶体管输出,有源
24 V
≤ 20 A
绿色
3.x
P>Pn
3.5 (P>Pn)
晶体管输出,有源
24 V
≤ 20 mA
3.9
信号接地
适用于信号输入及信号输出
1
AC UPS
QUINT AC UPS
445469 h (40 °C)
I
II
3 (≤ 130 V AC)
2 (> 200 V AC)
180 mm
130 mm
125 mm
0 mm / 0 mm
50 mm / 50 mm
DIN导轨安装
金属
IP20
-25 °C ... 60 °C (> 50 °C: 2,5 % / K)
-40 °C ... 85 °C
≤ 3000 m (> 2000 m: 0,6 % / 100 m)
≤ 95 %
所有方向20g,符合(EN 60068-2-27)
5 Hz ... 100 Hz, 0.7g (EN 60068-2-6)
不间断电源系统
EN 62040-1
UL/C-UL Recognized UL 1778
符合2014/30/EU电磁兼容指令
符合低电压指令2014/35/EC
噪音排放符合EN 62040-2标准
抗噪符合EN 62040-2标准
EN 61000-4-2
± 6 kV
± 8 kV
标准 A
EN 61000-4-3
80 MHz ... 6 GHz
10 V/m
标准 A
EN 61000-4-4
± 2 kV
± 2 kV
± 2 kV
± 2 kV
± 2 kV (USB)
标准A(B适用于USB)
EN 61000-4-5
1 kV (非对称)
标准 A
± 1 kV (对称)
± 2 kV (非对称)
EN 61000-4-6
0.15 MHz ... 80 MHz
1 kV (非对称)
标准 A
EN 61000-4-8
50 Hz
30 A/m
标准 A
规定限度内的正常操作行为。
可通过设备自我恢复的操作性能临时性降级。



品类齐全
极速配送
会员特价
一站服务