
板对板连接器 接线端子 配电块
接线端子
分配器、适配器和导线连接器
控制器系统布线
传感器/执行器布线
配电块和设备接线端子
模块化组合测试单元
板对板连接器
电源 适配器 冗余模块
用于电源保护的保护性继电器
电动汽车充电技术
电磁兼容滤波器
配电器
HMI和PC机 PLC(控制器)和I/O
PLCnext Technology
边缘计算
PLC(控制器)和I/O
工业通信
标识材料 打印机 接线箱和空箱
冷压头
压接连接器
装配操作辅助系统
冷压头和压接连接器
手动工具
接线箱和空箱
I/O信号接线 继电器和光耦合器
信号隔离变送器和测量变送器
数显表和现场设备
马达启动器和电子开关装置
继电器和光耦合器
I/O信号接线
继电器模块
100%工作因数
约 2x 107次
03.07.2025
0.6 W
2.5 kV AC (50 Hz,1分钟,线圈/触点)
120 V AC/DC
96 V AC/DC ... 127.2 V AC/DC (20 °C)
单稳态
极化
5 mA
7 ms (适用直流电)
11 ms (适用直流电)
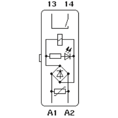
桥式整流器,压敏电阻
是
1个N/O 触点
单触点
AgNi
250 V AC/DC
6 A
8 A
95 W (24 V DC)
50 W (可用于48 V DC)
45 W (可用于60 V DC)
45 W (可用于110 V DC)
75 W (可用于220 V DC)
1500 VA (可用于250 V AC)
14.6 mm
33 mm
66.5 mm
绿色 (RAL 6021)
-20 °C ... 50 °C
-20 °C ... 70 °C
DIN VDE 0110b,Gr,C级,250V DC
IEC 60255/DIN VDE 0435(相关部分)
DIN EN 50178/VDE 0160(相关部分)
EN 60730/DIN VDE 0631
DIN VDE 0160(相关内容)
插拔式安装

品类齐全
极速配送
会员特价
一站服务